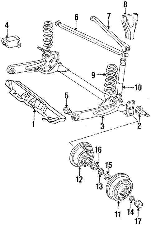
Rear Brakes for 1986 Chrysler New Yorker
No.
Part # / Description / Price
Price
1
Suspension Cross-Member
Mopar
Mopar Description: 4 door sedan, suspension. Coupe. 2 & 4 door. Rear suspension. Vertical tail lamps. Station wagon, suspension. 2 door sedan, suspension. 2 door convertible, suspension.
3
Axle Assembly
Mopar
Mopar Description: All models. Std or hd susp. Firm feel. Without Daytona, Laser. Heavy duty. Arm with axle, standard suspension. Firm suspension. With crossmember.
5
Bushing
Mopar
Mopar Description: All models. Without extra h.d., firm feel,special sport susp. Control arm, standard. Front arm.
12
13
Inner Bearing
Mopar
Mopar Description: All models. Disc brakes, inner. Inner, with cup. Rear. Inner cone & roller. Drum brakes, inner. Scamp, Rampage.
16
Wheel Bearing Grease Seal
Mopar
Mopar Description: All models. Disc brakes, outer. Drum brakes, outer. Rear. Drum brakes, bearing. Scamp, Rampage.
Related Parts
Part # / Description / Price
Price
Backing Plate Seal
Mopar
Mopar Description: Backing plate. Rear. All models. With disc brakes. Disc brakes, inner. Drum brakes, spindle.
Wheel Cylinder
Mopar
Mopar Description: Standard. Neon. All. Drum brakes. Convertible. Scamp, Rampage.
Out of Stock
Out of Stock
